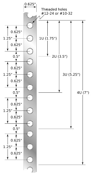
Take advantage of our many articles to find enclosure selection tips. Often the selection of an enclosure for your design project is an after thought. However the relative cost of the enclosure in the BOM is significant, and the right enclosure has a direct impact on functionality and longevity. From materials to modifications, chances are we have written about it.














