PN-1324

IP65 NEMA 4X Box PN-1324

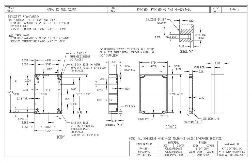
Product Details

Model # PN-1324 PN Series IP65 Plastic NEMA 4X Box
  • UL508A & NEMA 1, 2, 3, 4, 4x 12, and 13 enclosure specifications
  • Designed to IP65, IP66 of IEC 529
  • UL Listed (E194432 Vol 1)
  • Wall mounting holes and cover attaching screws are outside the sealing area thus preventing ingress of moisture and dust.
  • Most models have internal guide slots for mounting PCB assemblies vertically.
  • Internal bosses allow mounting of PCBs horizontally or for connection of terminals etc.
  • Threaded brass inserts
  • Cover screws are M-4 stainless steel, non-magnetic and fasten into threaded brass inserts.
  • Gasket Material: Silicon Sponge
Check Stock / Pricing Estimate Modifications Compare Sizes and ModelsSee Accessories
External Size L x W x D: 6.73" x 4.76" x 2.17"
Internal Size L x W x D: 6.35" x 4.38" x 1.93"
Weight: 0.625 lbs
Color: Light Gray
RoHS Certified: Always Compliant
Indoor / Outdoor: Outdoor (UV Stabilized)
Flammability Rating: UL94-HB
Door Flammability Rating: UL94-HB
Type of Plastic: Gray Polycarbonate
Door Type of Plastic: Gray Polycarbonate
UL Rating: UL508
Service Temperature Min: -40°C
Service Temperature Max: 120°C
NEMA Rating: NEMA 1, NEMA 2, NEMA 4, NEMA 4X, NEMA 12, NEMA 13
IP Rating: IP65, IP66
Mounting Style: Mounting Holes
Cover Style: Opaque, Screw Down Cover

If you’re looking for a Gray Polycarbonate NEMA rated or IP rated enclosure for a printed circuit board (PCB) that measures up to 6.35" x 4.38" x 1.93" or smaller, then this enclosure is an excellent choice.

Drawing

Email me the STEP file

OTHER MODELS IN THIS SERIES

Model # External Dimensions Internal Dimensions Indoor / Outdoor Flammability Rating NEMA Rating IP Rating
PN-1335 10.43" x 7.28" x 3.74" 10.437.283.74 10.17" x 7.02" x 3.50" Outdoor (UV Stabilized) UL94-HB NEMA 1, NEMA 2, NEMA 4, NEMA 4X, NEMA 12, NEMA 13 IP65, IP66
PN-1335-C 10.43" x 7.28" x 3.74" 10.437.283.74 10.17" x 7.02" x 3.50" Outdoor (UV Stabilized) UL94-HB NEMA 1, NEMA 2, NEMA 4, NEMA 4X, NEMA 12, NEMA 13 IP65, IP66
PN-1335-DG 10.43" x 7.28" x 3.74" 10.437.283.74 10.17" x 7.02" x 3.50" Indoor (Not UV Stabilized) UL94-HB NEMA 1, NEMA 2, NEMA 4, NEMA 4X, NEMA 12, NEMA 13 IP65, IP66
PN-1342 11.81" x 9.06" x 3.41" 11.819.063.41 11.52" x 8.76" x 3.13" Outdoor (UV Stabilized) UL94-HB NEMA 1, NEMA 2, NEMA 4, NEMA 4X, NEMA 12, NEMA 13 IP65, IP66
PN-1342-C 11.81" x 9.06" x 3.41" 11.819.063.41 11.52" x 8.76" x 3.13" Outdoor (UV Stabilized) UL94-HB NEMA 1, NEMA 2, NEMA 4, NEMA 4X, NEMA 12, NEMA 13 IP65, IP66
PN-1342-DG 11.81" x 9.06" x 3.41" 11.819.063.41 11.52" x 8.76" x 3.13" Indoor (Not UV Stabilized) UL94-HB NEMA 1, NEMA 2, NEMA 4, NEMA 4X, NEMA 12, NEMA 13 IP65, IP66
PN-1343 11.81" x 9.06" x 4.39" 11.819.064.39 11.52" x 8.76" x 4.11" Outdoor (UV Stabilized) UL94-HB NEMA 1, NEMA 2, NEMA 4, NEMA 4X, NEMA 12, NEMA 13 IP65, IP66
PN-1343-C 11.81" x 9.06" x 4.39" 11.819.064.39 11.52" x 8.76" x 4.11" Outdoor (UV Stabilized) UL94-HB NEMA 1, NEMA 2, NEMA 4, NEMA 4X, NEMA 12, NEMA 13 IP65, IP66
PN-1343-DG 11.81" x 9.06" x 4.39" 11.819.064.39 11.52" x 8.76" x 4.11" Indoor (Not UV Stabilized) UL94-HB NEMA 1, NEMA 2, NEMA 4, NEMA 4X, NEMA 12, NEMA 13 IP65, IP66
PN-1344-DG 14.17" x 7.87" x 5.91" 14.177.875.91 13.75" x 7.45" x 5.62" Indoor (Not UV Stabilized) UL94-HB NEMA 1, NEMA 2, NEMA 4, NEMA 4X, NEMA 12, NEMA 13 IP65, IP66
PN-1344 14.17" x 7.87" x 5.91" 14.177.875.91 13.75" x 7.45" x 5.62" Outdoor (UV Stabilized) UL94-HB NEMA 1, NEMA 2, NEMA 4, NEMA 4X, NEMA 12, NEMA 13 IP65, IP66
PN-1344-C 14.17" x 7.87" x 5.91" 14.177.875.91 13.75" x 7.45" x 5.62" Outdoor (UV Stabilized) UL94-HB NEMA 1, NEMA 2, NEMA 4, NEMA 4X, NEMA 12, NEMA 13 IP65, IP66
PN-1330-DG 2.05" x 1.97" x 1.38" 2.051.971.38 1.81" x 1.73" x 1.17" Indoor (Not UV Stabilized) UL94-HB NEMA 1, NEMA 2, NEMA 4, NEMA 4X, NEMA 12, NEMA 13 IP65, IP66
PN-1330-CMB 2.05" x 1.97" x 1.38" 2.051.971.38 1.81" x 1.73" x 1.17" Outdoor (UV Stabilized) UL94-HB NEMA 1, NEMA 2, NEMA 4, NEMA 4X, NEMA 12, NEMA 13 IP65, IP66
PN-1330-C 2.05" x 1.97" x 1.38" 2.051.971.38 1.81" x 1.73" x 1.17" Outdoor (UV Stabilized) UL94-HB NEMA 1, NEMA 2, NEMA 4, NEMA 4X, NEMA 12, NEMA 13 IP65, IP66
PN-1330 2.05" x 1.97" x 1.38" 2.051.971.38 1.81" x 1.73" x 1.17" Outdoor (UV Stabilized) UL94-HB NEMA 1, NEMA 2, NEMA 4, NEMA 4X, NEMA 12, NEMA 13 IP65, IP66
PN-1330-DGMB 2.05" x 1.97" x 1.38" 2.051.971.38 1.81" x 1.73" x 1.17" Indoor (Not UV Stabilized) UL94-HB NEMA 1, NEMA 2, NEMA 4, NEMA 4X, NEMA 12, NEMA 13 IP65, IP66
PN-1330-MB 2.05" x 1.97" x 1.38" 2.051.971.38 1.81" x 1.73" x 1.17" Outdoor (UV Stabilized) UL94-HB NEMA 1, NEMA 2, NEMA 4, NEMA 4X, NEMA 12, NEMA 13 IP65, IP66
PN-1320-C 2.52" x 2.28" x 1.38" 2.522.281.38 2.28" x 2.05" x 1.18" Outdoor (UV Stabilized) UL94-HB NEMA 1, NEMA 2, NEMA 4, NEMA 4X, NEMA 12, NEMA 13 IP65, IP66
PN-1320 2.52" x 2.28" x 1.38" 2.522.281.38 2.28" x 2.05" x 1.18" Outdoor (UV Stabilized) UL94-HB NEMA 1, NEMA 2, NEMA 4, NEMA 4X, NEMA 12, NEMA 13 IP65, IP66
PN-1320-MB 2.52" x 2.28" x 1.38" 2.522.281.38 2.28" x 2.05" x 1.18" Outdoor (UV Stabilized) UL94-HB NEMA 1, NEMA 2, NEMA 4, NEMA 4X, NEMA 12, NEMA 13 IP65, IP66
PN-1320-DGMB 2.52" x 2.28" x 1.38" 2.522.281.38 2.28" x 2.05" x 1.18" Indoor (Not UV Stabilized) UL94-HB NEMA 1, NEMA 2, NEMA 4, NEMA 4X, NEMA 12, NEMA 13 IP65, IP66
PN-1320-DG 2.52" x 2.28" x 1.38" 2.522.281.38 2.28" x 2.05" x 1.18" Indoor (Not UV Stabilized) UL94-HB NEMA 1, NEMA 2, NEMA 4, NEMA 4X, NEMA 12, NEMA 13 IP65, IP66
PN-1320-CMB 2.52" x 2.28" x 1.38" 2.522.281.38 2.28" x 2.05" x 1.18" Outdoor (UV Stabilized) UL94-HB NEMA 1, NEMA 2, NEMA 4, NEMA 4X, NEMA 12, NEMA 13 IP65, IP66
PN-1331-DGMB 3.23" x 3.15" x 2.17" 3.233.152.17 2.97" x 2.89" x 1.93" Indoor (Not UV Stabilized) UL94-HB NEMA 1, NEMA 2, NEMA 4, NEMA 4X, NEMA 12, NEMA 13 IP65, IP66
PN-1331-MB 3.23" x 3.15" x 2.17" 3.233.152.17 2.97" x 2.89" x 1.93" Outdoor (UV Stabilized) UL94-HB NEMA 1, NEMA 2, NEMA 4, NEMA 4X, NEMA 12, NEMA 13 IP65, IP66
PN-1331-DG 3.23" x 3.15" x 2.17" 3.233.152.17 2.97" x 2.89" x 1.93" Indoor (Not UV Stabilized) UL94-HB NEMA 1, NEMA 2, NEMA 4, NEMA 4X, NEMA 12, NEMA 13 IP65, IP66
PN-1331-CMB 3.23" x 3.15" x 2.17" 3.233.152.17 2.97" x 2.89" x 1.93" Outdoor (UV Stabilized) UL94-HB NEMA 1, NEMA 2, NEMA 4, NEMA 4X, NEMA 12, NEMA 13 IP65, IP66
PN-1331-C 3.23" x 3.15" x 2.17" 3.233.152.17 2.97" x 2.89" x 1.93" Outdoor (UV Stabilized) UL94-HB NEMA 1, NEMA 2, NEMA 4, NEMA 4X, NEMA 12, NEMA 13 IP65, IP66
PN-1331 3.23" x 3.15" x 2.17" 3.233.152.17 2.97" x 2.89" x 1.93" Outdoor (UV Stabilized) UL94-HB NEMA 1, NEMA 2, NEMA 4, NEMA 4X, NEMA 12, NEMA 13 IP65, IP66
PN-1321-DG 4.53" x 2.56" x 1.58" 4.532.561.58 4.16" x 2.32" x 1.36" Indoor (Not UV Stabilized) UL94-HB NEMA 1, NEMA 2, NEMA 4, NEMA 4X, NEMA 12, NEMA 13 IP65, IP66
PN-1321-C 4.53" x 2.56" x 1.58" 4.532.561.58 4.16" x 2.32" x 1.36" Outdoor (UV Stabilized) UL94-HB NEMA 1, NEMA 2, NEMA 4, NEMA 4X, NEMA 12, NEMA 13 IP65, IP66
PN-1321-CMB 4.53" x 2.56" x 1.58" 4.532.561.58 4.16" x 2.32" x 1.36" Outdoor (UV Stabilized) UL94-HB NEMA 1, NEMA 2, NEMA 4, NEMA 4X, NEMA 12, NEMA 13 IP65, IP66
PN-1321 4.53" x 2.56" x 1.58" 4.532.561.58 4.16" x 2.32" x 1.36" Outdoor (UV Stabilized) UL94-HB NEMA 1, NEMA 2, NEMA 4, NEMA 4X, NEMA 12, NEMA 13 IP65, IP66
PN-1321-MB 4.53" x 2.56" x 1.58" 4.532.561.58 4.16" x 2.32" x 1.36" Outdoor (UV Stabilized) UL94-HB NEMA 1, NEMA 2, NEMA 4, NEMA 4X, NEMA 12, NEMA 13 IP65, IP66
PN-1321-DGMB 4.53" x 2.56" x 1.58" 4.532.561.58 4.16" x 2.32" x 1.36" Indoor (Not UV Stabilized) UL94-HB NEMA 1, NEMA 2, NEMA 4, NEMA 4X, NEMA 12, NEMA 13 IP65, IP66
PN-1322-CMB 4.53" x 2.56" x 2.17" 4.532.562.17 4.16" x 2.32" x 1.95" Outdoor (UV Stabilized) UL94-HB NEMA 1, NEMA 2, NEMA 4, NEMA 4X, NEMA 12, NEMA 13 IP65, IP66
PN-1322 4.53" x 2.56" x 2.17" 4.532.562.17 4.16" x 2.32" x 1.95" Outdoor (UV Stabilized) UL94-HB NEMA 1, NEMA 2, NEMA 4, NEMA 4X, NEMA 12, NEMA 13 IP65, IP66
PN-1322-C 4.53" x 2.56" x 2.17" 4.532.562.17 4.16" x 2.32" x 1.95" Outdoor (UV Stabilized) UL94-HB NEMA 1, NEMA 2, NEMA 4, NEMA 4X, NEMA 12, NEMA 13 IP65, IP66
PN-1322-DG 4.53" x 2.56" x 2.17" 4.532.562.17 4.16" x 2.32" x 1.95" Indoor (Not UV Stabilized) UL94-HB NEMA 1, NEMA 2, NEMA 4, NEMA 4X, NEMA 12, NEMA 13 IP65, IP66
PN-1322-DGMB 4.53" x 2.56" x 2.17" 4.532.562.17 4.16" x 2.32" x 1.95" Indoor (Not UV Stabilized) UL94-HB NEMA 1, NEMA 2, NEMA 4, NEMA 4X, NEMA 12, NEMA 13 IP65, IP66
PN-1322-MB 4.53" x 2.56" x 2.17" 4.532.562.17 4.16" x 2.32" x 1.95" Outdoor (UV Stabilized) UL94-HB NEMA 1, NEMA 2, NEMA 4, NEMA 4X, NEMA 12, NEMA 13 IP65, IP66
PN-1323 4.53" x 3.54" x 2.17" 4.533.542.17 4.16" x 3.31" x 1.95" Outdoor (UV Stabilized) UL94-HB NEMA 1, NEMA 2, NEMA 4, NEMA 4X, NEMA 12, NEMA 13 IP65, IP66
PN-1323-C 4.53" x 3.54" x 2.17" 4.533.542.17 4.16" x 3.31" x 1.95" Outdoor (UV Stabilized) UL94-HB NEMA 1, NEMA 2, NEMA 4, NEMA 4X, NEMA 12, NEMA 13 IP65, IP66
PN-1323-DGMB 4.53" x 3.54" x 2.17" 4.533.542.17 4.16" x 3.31" x 1.95" Indoor (Not UV Stabilized) UL94-HB NEMA 1, NEMA 2, NEMA 4, NEMA 4X, NEMA 12, NEMA 13 IP65, IP66
PN-1323-CMB 4.53" x 3.54" x 2.17" 4.533.542.17 4.16" x 3.31" x 1.95" Outdoor (UV Stabilized) UL94-HB NEMA 1, NEMA 2, NEMA 4, NEMA 4X, NEMA 12, NEMA 13 IP65, IP66
PN-1323-DG 4.53" x 3.54" x 2.17" 4.533.542.17 4.16" x 3.31" x 1.95" Indoor (Not UV Stabilized) UL94-HB NEMA 1, NEMA 2, NEMA 4, NEMA 4X, NEMA 12, NEMA 13 IP65, IP66
PN-1323-MB 4.53" x 3.54" x 2.17" 4.533.542.17 4.16" x 3.31" x 1.95" Outdoor (UV Stabilized) UL94-HB NEMA 1, NEMA 2, NEMA 4, NEMA 4X, NEMA 12, NEMA 13 IP65, IP66
PN-1328-DG 4.53" x 3.54" x 3.15" 4.533.543.15 4.29" x 3.31" x 2.95" Indoor (Not UV Stabilized) UL94-HB NEMA 1, NEMA 2, NEMA 4, NEMA 4X, NEMA 12, NEMA 13 IP65, IP66
PN-1328-CMB 4.53" x 3.54" x 3.15" 4.533.543.15 4.29" x 3.31" x 2.95" Outdoor (UV Stabilized) UL94-HB NEMA 1, NEMA 2, NEMA 4, NEMA 4X, NEMA 12, NEMA 13 IP65, IP66
PN-1328-C 4.53" x 3.54" x 3.15" 4.533.543.15 4.29" x 3.31" x 2.95" Outdoor (UV Stabilized) UL94-HB NEMA 1, NEMA 2, NEMA 4, NEMA 4X, NEMA 12, NEMA 13 IP65, IP66
PN-1328 4.53" x 3.54" x 3.15" 4.533.543.15 4.29" x 3.31" x 2.95" Outdoor (UV Stabilized) UL94-HB NEMA 1, NEMA 2, NEMA 4, NEMA 4X, NEMA 12, NEMA 13 IP65, IP66
PN-1328-DGMB 4.53" x 3.54" x 3.15" 4.533.543.15 4.29" x 3.31" x 2.95" Indoor (Not UV Stabilized) UL94-HB NEMA 1, NEMA 2, NEMA 4, NEMA 4X, NEMA 12, NEMA 13 IP65, IP66
PN-1328-MB 4.53" x 3.54" x 3.15" 4.533.543.15 4.29" x 3.31" x 2.95" Outdoor (UV Stabilized) UL94-HB NEMA 1, NEMA 2, NEMA 4, NEMA 4X, NEMA 12, NEMA 13 IP65, IP66
PN-1336-MB 4.72" x 4.72" x 2.36" 4.724.722.36 4.49" x 4.49" x 2.13" Outdoor (UV Stabilized) UL94-HB NEMA 1, NEMA 2, NEMA 4, NEMA 4X, NEMA 12, NEMA 13 IP65, IP66
PN-1336-DGMB 4.72" x 4.72" x 2.36" 4.724.722.36 4.49" x 4.49" x 2.13" Indoor (Not UV Stabilized) UL94-HB NEMA 1, NEMA 2, NEMA 4, NEMA 4X, NEMA 12, NEMA 13 IP65, IP66
PN-1336-DG 4.72" x 4.72" x 2.36" 4.724.722.36 4.49" x 4.49" x 2.13" Indoor (Not UV Stabilized) UL94-HB NEMA 1, NEMA 2, NEMA 4, NEMA 4X, NEMA 12, NEMA 13 IP65, IP66
PN-1336-CMB 4.72" x 4.72" x 2.36" 4.724.722.36 4.49" x 4.49" x 2.13" Outdoor (UV Stabilized) UL94-HB NEMA 1, NEMA 2, NEMA 4, NEMA 4X, NEMA 12, NEMA 13 IP65, IP66
PN-1336-C 4.72" x 4.72" x 2.36" 4.724.722.36 4.49" x 4.49" x 2.13" Outdoor (UV Stabilized) UL94-HB NEMA 1, NEMA 2, NEMA 4, NEMA 4X, NEMA 12, NEMA 13 IP65, IP66
PN-1336 4.72" x 4.72" x 2.36" 4.724.722.36 4.49" x 4.49" x 2.13" Outdoor (UV Stabilized) UL94-HB NEMA 1, NEMA 2, NEMA 4, NEMA 4X, NEMA 12, NEMA 13 IP65, IP66
PN-1337-C 4.72" x 4.72" x 3.54" 4.724.723.54 4.49" x 4.49" x 3.31" Outdoor (UV Stabilized) UL94-HB NEMA 1, NEMA 2, NEMA 4, NEMA 4X, NEMA 12, NEMA 13 IP65, IP66
PN-1337-CMB 4.72" x 4.72" x 3.54" 4.724.723.54 4.49" x 4.49" x 3.31" Outdoor (UV Stabilized) UL94-HB NEMA 1, NEMA 2, NEMA 4, NEMA 4X, NEMA 12, NEMA 13 IP65, IP66
PN-1337-DG 4.72" x 4.72" x 3.54" 4.724.723.54 4.49" x 4.49" x 3.31" Indoor (Not UV Stabilized) UL94-HB NEMA 1, NEMA 2, NEMA 4, NEMA 4X, NEMA 12, NEMA 13 IP65, IP66
PN-1337-DGMB 4.72" x 4.72" x 3.54" 4.724.723.54 4.49" x 4.49" x 3.31" Indoor (Not UV Stabilized) UL94-HB NEMA 1, NEMA 2, NEMA 4, NEMA 4X, NEMA 12, NEMA 13 IP65, IP66
PN-1337-MB 4.72" x 4.72" x 3.54" 4.724.723.54 4.49" x 4.49" x 3.31" Outdoor (UV Stabilized) UL94-HB NEMA 1, NEMA 2, NEMA 4, NEMA 4X, NEMA 12, NEMA 13 IP65, IP66
PN-1337 4.72" x 4.72" x 3.54" 4.724.723.54 4.49" x 4.49" x 3.31" Outdoor (UV Stabilized) UL94-HB NEMA 1, NEMA 2, NEMA 4, NEMA 4X, NEMA 12, NEMA 13 IP65, IP66
PN-1339 6.26" x 6.26" x 3.54" 6.266.263.54 6.02" x 6.02" x 3.31" Outdoor (UV Stabilized) UL94-HB NEMA 1, NEMA 2, NEMA 4, NEMA 4X, NEMA 12, NEMA 13 IP65, IP66
PN-1339-C 6.26" x 6.26" x 3.54" 6.266.263.54 6.02" x 6.02" x 3.31" Outdoor (UV Stabilized) UL94-HB NEMA 1, NEMA 2, NEMA 4, NEMA 4X, NEMA 12, NEMA 13 IP65, IP66
PN-1339-DG 6.26" x 6.26" x 3.54" 6.266.263.54 6.02" x 6.02" x 3.31" Indoor (Not UV Stabilized) UL94-HB NEMA 1, NEMA 2, NEMA 4, NEMA 4X, NEMA 12, NEMA 13 IP65, IP66
PN-1332-C 6.30" x 3.15" x 2.17" 6.33.152.17 6.02" x 2.87" x 1.94" Outdoor (UV Stabilized) UL94-HB NEMA 1, NEMA 2, NEMA 4, NEMA 4X, NEMA 12, NEMA 13 IP65, IP66
PN-1332-CMB 6.30" x 3.15" x 2.17" 6.33.152.17 6.02" x 2.87" x 1.94" Outdoor (UV Stabilized) UL94-HB NEMA 1, NEMA 2, NEMA 4, NEMA 4X, NEMA 12, NEMA 13 IP65, IP66
PN-1332 6.30" x 3.15" x 2.17" 6.33.152.17 6.02" x 2.87" x 1.94" Outdoor (UV Stabilized) UL94-HB NEMA 1, NEMA 2, NEMA 4, NEMA 4X, NEMA 12, NEMA 13 IP65, IP66
PN-1332-DG 6.30" x 3.15" x 2.17" 6.33.152.17 6.02" x 2.87" x 1.94" Indoor (Not UV Stabilized) UL94-HB NEMA 1, NEMA 2, NEMA 4, NEMA 4X, NEMA 12, NEMA 13 IP65, IP66
PN-1332-DGMB 6.30" x 3.15" x 2.17" 6.33.152.17 6.02" x 2.87" x 1.94" Indoor (Not UV Stabilized) UL94-HB NEMA 1, NEMA 2, NEMA 4, NEMA 4X, NEMA 12, NEMA 13 IP65, IP66
PN-1332-MB 6.30" x 3.15" x 2.17" 6.33.152.17 6.02" x 2.87" x 1.94" Outdoor (UV Stabilized) UL94-HB NEMA 1, NEMA 2, NEMA 4, NEMA 4X, NEMA 12, NEMA 13 IP65, IP66
PN-1333-C 6.30" x 3.15" x 3.35" 6.33.153.35 6.05" x 2.90" x 3.09" Outdoor (UV Stabilized) UL94-HB NEMA 1, NEMA 2, NEMA 4, NEMA 4X, NEMA 12, NEMA 13 IP65, IP66
PN-1333 6.30" x 3.15" x 3.35" 6.33.153.35 6.05" x 2.90" x 3.09" Outdoor (UV Stabilized) UL94-HB NEMA 1, NEMA 2, NEMA 4, NEMA 4X, NEMA 12, NEMA 13 IP65, IP66
PN-1333-CMB 6.30" x 3.15" x 3.35" 6.33.153.35 6.05" x 2.90" x 3.09" Outdoor (UV Stabilized) UL94-HB NEMA 1, NEMA 2, NEMA 4, NEMA 4X, NEMA 12, NEMA 13 IP65, IP66
PN-1333-DG 6.30" x 3.15" x 3.35" 6.33.153.35 6.05" x 2.90" x 3.09" Indoor (Not UV Stabilized) UL94-HB NEMA 1, NEMA 2, NEMA 4, NEMA 4X, NEMA 12, NEMA 13 IP65, IP66
PN-1333-DGMB 6.30" x 3.15" x 3.35" 6.33.153.35 6.05" x 2.90" x 3.09" Indoor (Not UV Stabilized) UL94-HB NEMA 1, NEMA 2, NEMA 4, NEMA 4X, NEMA 12, NEMA 13 IP65, IP66
PN-1333-MB 6.30" x 3.15" x 3.35" 6.33.153.35 6.05" x 2.90" x 3.09" Outdoor (UV Stabilized) UL94-HB NEMA 1, NEMA 2, NEMA 4, NEMA 4X, NEMA 12, NEMA 13 IP65, IP66
PN-1338-DG 6.30" x 6.30" x 2.36" 6.36.32.36 6.06" x 6.06" x 2.13" Indoor (Not UV Stabilized) UL94-HB NEMA 1, NEMA 2, NEMA 4, NEMA 4X, NEMA 12, NEMA 13 IP65, IP66
PN-1338-C 6.30" x 6.30" x 2.36" 6.36.32.36 6.06" x 6.06" x 2.13" Outdoor (UV Stabilized) UL94-HB NEMA 1, NEMA 2, NEMA 4, NEMA 4X, NEMA 12, NEMA 13 IP65, IP66
PN-1338 6.30" x 6.30" x 2.36" 6.36.32.36 6.06" x 6.06" x 2.13" Outdoor (UV Stabilized) UL94-HB NEMA 1, NEMA 2, NEMA 4, NEMA 4X, NEMA 12, NEMA 13 IP65, IP66
PN-1324-MB 6.73" x 4.76" x 2.17" 6.734.762.17 6.35" x 4.38" x 1.93" Outdoor (UV Stabilized) UL94-HB NEMA 1, NEMA 2, NEMA 4, NEMA 4X, NEMA 12, NEMA 13 IP65, IP66
PN-1324-DGMB 6.73" x 4.76" x 2.17" 6.734.762.17 6.35" x 4.38" x 1.93" Indoor (Not UV Stabilized) UL94-HB NEMA 1, NEMA 2, NEMA 4, NEMA 4X, NEMA 12, NEMA 13 IP65, IP66
PN-1324-DG 6.73" x 4.76" x 2.17" 6.734.762.17 6.35" x 4.38" x 1.93" Indoor (Not UV Stabilized) UL94-HB NEMA 1, NEMA 2, NEMA 4, NEMA 4X, NEMA 12, NEMA 13 IP65, IP66
PN-1324-CMB 6.73" x 4.76" x 2.17" 6.734.762.17 6.35" x 4.38" x 1.93" Outdoor (UV Stabilized) UL94-HB NEMA 1, NEMA 2, NEMA 4, NEMA 4X, NEMA 12, NEMA 13 IP65, IP66
PN-1324-C 6.73" x 4.76" x 2.17" 6.734.762.17 6.35" x 4.38" x 1.93" Outdoor (UV Stabilized) UL94-HB NEMA 1, NEMA 2, NEMA 4, NEMA 4X, NEMA 12, NEMA 13 IP65, IP66
PN-1324 6.73" x 4.76" x 2.17" 6.734.762.17 6.35" x 4.38" x 1.93" Outdoor (UV Stabilized) UL94-HB NEMA 1, NEMA 2, NEMA 4, NEMA 4X, NEMA 12, NEMA 13 IP65, IP66
PN-1327-CMB 6.73" x 4.76" x 3.15" 6.734.763.15 6.50" x 4.53" x 2.91" Outdoor (UV Stabilized) UL94-HB NEMA 1, NEMA 2, NEMA 4, NEMA 4X, NEMA 12, NEMA 13 IP65, IP66
PN-1327 6.73" x 4.76" x 3.15" 6.734.763.15 6.50" x 4.53" x 2.91" Outdoor (UV Stabilized) UL94-HB NEMA 1, NEMA 2, NEMA 4, NEMA 4X, NEMA 12, NEMA 13 IP65, IP66
PN-1327-C 6.73" x 4.76" x 3.15" 6.734.763.15 6.50" x 4.53" x 2.91" Outdoor (UV Stabilized) UL94-HB NEMA 1, NEMA 2, NEMA 4, NEMA 4X, NEMA 12, NEMA 13 IP65, IP66
PN-1327-MB 6.73" x 4.76" x 3.15" 6.734.763.15 6.50" x 4.53" x 2.91" Outdoor (UV Stabilized) UL94-HB NEMA 1, NEMA 2, NEMA 4, NEMA 4X, NEMA 12, NEMA 13 IP65, IP66
PN-1327-DGMB 6.73" x 4.76" x 3.15" 6.734.763.15 6.50" x 4.53" x 2.91" Indoor (Not UV Stabilized) UL94-HB NEMA 1, NEMA 2, NEMA 4, NEMA 4X, NEMA 12, NEMA 13 IP65, IP66
PN-1327-DG 6.73" x 4.76" x 3.15" 6.734.763.15 6.50" x 4.53" x 2.91" Indoor (Not UV Stabilized) UL94-HB NEMA 1, NEMA 2, NEMA 4, NEMA 4X, NEMA 12, NEMA 13 IP65, IP66
PN-1326 7.68" x 3.15" x 2.17" 7.683.152.17 7.41" x 2.88" x 1.93" Outdoor (UV Stabilized) UL94-HB NEMA 1, NEMA 2, NEMA 4, NEMA 4X, NEMA 12, NEMA 13 IP65, IP66
PN-1326-C 7.68" x 3.15" x 2.17" 7.683.152.17 7.41" x 2.88" x 1.93" Outdoor (UV Stabilized) UL94-HB NEMA 1, NEMA 2, NEMA 4, NEMA 4X, NEMA 12, NEMA 13 IP65, IP66
PN-1326-DG 7.68" x 3.15" x 2.17" 7.683.152.17 7.41" x 2.88" x 1.93" Indoor (Not UV Stabilized) UL94-HB NEMA 1, NEMA 2, NEMA 4, NEMA 4X, NEMA 12, NEMA 13 IP65, IP66
PN-1334 7.87" x 4.72" x 2.95" 7.874.722.95 7.57" x 4.42" x 2.70" Outdoor (UV Stabilized) UL94-HB NEMA 1, NEMA 2, NEMA 4, NEMA 4X, NEMA 12, NEMA 13 IP65
PN-1334-C 7.87" x 4.72" x 2.95" 7.874.722.95 7.57" x 4.42" x 2.70" Outdoor (UV Stabilized) UL94-HB NEMA 1, NEMA 2, NEMA 4, NEMA 4X, NEMA 12, NEMA 13 IP66
PN-1334-DG 7.87" x 4.72" x 2.95" 7.874.722.95 7.57" x 4.42" x 2.70" Indoor (Not UV Stabilized) UL94-HB NEMA 1, NEMA 2, NEMA 4, NEMA 4X, NEMA 12, NEMA 13 IP65
PN-1325-MB 8.74" x 5.75" x 2.17" 8.745.752.17 8.50" x 5.51" x 1.99" Outdoor (UV Stabilized) UL94-HB NEMA 1, NEMA 2, NEMA 4, NEMA 4X, NEMA 12, NEMA 13 IP65, IP66
PN-1325-DGMB 8.74" x 5.75" x 2.17" 8.745.752.17 8.50" x 5.51" x 1.99" Indoor (Not UV Stabilized) UL94-HB NEMA 1, NEMA 2, NEMA 4, NEMA 4X, NEMA 12, NEMA 13 IP65, IP66
PN-1325-DG 8.74" x 5.75" x 2.17" 8.745.752.17 8.50" x 5.51" x 1.99" Indoor (Not UV Stabilized) UL94-HB NEMA 1, NEMA 2, NEMA 4, NEMA 4X, NEMA 12, NEMA 13 IP65, IP66
PN-1325-CMB 8.74" x 5.75" x 2.17" 8.745.752.17 8.50" x 5.51" x 1.99" Outdoor (UV Stabilized) UL94-HB NEMA 1, NEMA 2, NEMA 4, NEMA 4X, NEMA 12, NEMA 13 IP65, IP66
PN-1325-C 8.74" x 5.75" x 2.17" 8.745.752.17 8.50" x 5.51" x 1.99" Outdoor (UV Stabilized) UL94-HB NEMA 1, NEMA 2, NEMA 4, NEMA 4X, NEMA 12, NEMA 13 IP65, IP66
PN-1325 8.74" x 5.75" x 2.17" 8.745.752.17 8.50" x 5.51" x 1.99" Outdoor (UV Stabilized) UL94-HB NEMA 1, NEMA 2, NEMA 4, NEMA 4X, NEMA 12, NEMA 13 IP65, IP66
PN-1329 8.74" x 5.75" x 2.95" 8.745.752.95 8.33" x 5.34" x 2.78" Outdoor (UV Stabilized) UL94-HB NEMA 1, NEMA 2, NEMA 4, NEMA 4X, NEMA 12, NEMA 13 IP65, IP66
PN-1329-C 8.74" x 5.75" x 2.95" 8.745.752.95 8.33" x 5.34" x 2.78" Outdoor (UV Stabilized) UL94-HB NEMA 1, NEMA 2, NEMA 4, NEMA 4X, NEMA 12, NEMA 13 IP65, IP66
PN-1329-CMB 8.74" x 5.75" x 2.95" 8.745.752.95 8.33" x 5.34" x 2.78" Outdoor (UV Stabilized) UL94-HB NEMA 1, NEMA 2, NEMA 4, NEMA 4X, NEMA 12, NEMA 13 IP65, IP66
PN-1329-DG 8.74" x 5.75" x 2.95" 8.745.752.95 8.33" x 5.34" x 2.78" Indoor (Not UV Stabilized) UL94-HB NEMA 1, NEMA 2, NEMA 4, NEMA 4X, NEMA 12, NEMA 13 IP65, IP66
PN-1329-DGMB 8.74" x 5.75" x 2.95" 8.745.752.95 8.33" x 5.34" x 2.78" Indoor (Not UV Stabilized) UL94-HB NEMA 1, NEMA 2, NEMA 4, NEMA 4X, NEMA 12, NEMA 13 IP65, IP66
PN-1329-MB 8.74" x 5.75" x 2.95" 8.745.752.95 8.33" x 5.34" x 2.78" Outdoor (UV Stabilized) UL94-HB NEMA 1, NEMA 2, NEMA 4, NEMA 4X, NEMA 12, NEMA 13 IP65, IP66
PN-1341-DG 9.45" x 6.24" x 4.72" 9.456.244.72 9.12" x 5.97" x 4.49" Indoor (Not UV Stabilized) UL94-HB NEMA 1, NEMA 2, NEMA 4, NEMA 4X, NEMA 12, NEMA 13 IP65, IP66
PN-1341-C 9.45" x 6.24" x 4.72" 9.456.244.72 9.12" x 5.97" x 4.49" Outdoor (UV Stabilized) UL94-HB NEMA 1, NEMA 2, NEMA 4, NEMA 4X, NEMA 12, NEMA 13 IP65, IP66
PN-1341 9.45" x 6.24" x 4.72" 9.456.244.72 9.12" x 5.97" x 4.49" Outdoor (UV Stabilized) UL94-HB NEMA 1, NEMA 2, NEMA 4, NEMA 4X, NEMA 12, NEMA 13 IP65, IP66
PN-1340-DG 9.45" x 6.30" x 3.54" 9.456.33.54 9.12" x 5.97" x 3.31" Indoor (Not UV Stabilized) UL94-HB NEMA 1, NEMA 2, NEMA 4, NEMA 4X, NEMA 12, NEMA 13 IP65, IP66
PN-1340-C 9.45" x 6.30" x 3.54" 9.456.33.54 9.12" x 5.97" x 3.31" Outdoor (UV Stabilized) UL94-HB NEMA 1, NEMA 2, NEMA 4, NEMA 4X, NEMA 12, NEMA 13 IP65, IP66
PN-1340 9.45" x 6.30" x 3.54" 9.456.33.54 9.12" x 5.97" x 3.31" Outdoor (UV Stabilized) UL94-HB NEMA 1, NEMA 2, NEMA 4, NEMA 4X, NEMA 12, NEMA 13 IP65, IP66
Privacy Overview

This website uses cookies so that we can provide you with the best user experience possible. Cookie information is stored in your browser and performs functions such as recognising you when you return to our website and helping our team to understand which sections of the website you find most interesting and useful.